ÁREA RESTRITA
Antares Acoplamientos
  • Home
  • PRODUCTOS
    • PRODUCTOS ANTARES
      • Línea Completa
      • Acoplamientos Flexibles
      • Acoplamientos Elásticos
      • Acoplamientos de Engranajes
      • Acoplamientos de Láminas
  • COTIZACIÓN
  • REPRESENTANTES
  • BLOG
  • EMPRESA
    • EMPRESA
      • Quienes Somos
  • SERVICIOS
    • SERVICIOS
      • Contáctenos
      • Canal de Ética
      • Política de Privacidad
  • CENTRO DE DESCARGAS
    • DESCARGAS
      • Catálogo de Productos
      • La Guía Definitiva de los Acoplamientos
      • E-book Vibración Mecánica
Português English Español

Navegue em ACOPLAMIENTO FLEXIBLE BIPARTIDO AT BP:

CARACTERÍSTICAS TABLAS TÉCNICAS
Foto produto
Foto produto
Foto produto
Foto produto
Foto produto
Foto produto
Foto Galeria
Foto Galeria
Foto Galeria
Foto Galeria
Foto Galeria
Foto Galeria

ACOPLAMIENTO FLEXIBLE BIPARTIDO AT BP

Home Antares Acoplamentos sites > Antares Acoplamientos > Produtos > ACOPLAMIENTO FLEXIBLE BIPARTIDO AT BP

Acoplamientos con gran capacidad para absorber desalineaciones, choques mecánicos y vibraciones.

Permiten reemplazar el centro elástico fácilmente, sin alejarlo del equipo, incluso cuando los extremos del eje están muy cerca.

SOLICITAR COTIZACIÓN

CARACTERÍSTICAS

• Sistema de instalación exclusivo en el que apretar los tornillos garantiza la fijación del centro elástico
• El elemento elástico se fija entre el cubo y la brida. Apretar los tornillos garantiza la resistencia de la conexión ELASTÓMETRO – METAL
• Los tornillos están fijados en el sentido axial, es decir, no están posicionados en el sentido de rotación. Por lo tanto, tampoco están sujetos a desprendimiento debido a la fuerza centrífuga, un problema común en otros acoplamientos de dos piezas.
• Mayor vida útil, ya que la fijación del elastómero con el metal no está sujeta a la acción de ambientes agresivos ni a la fuerza centrífuga (actúa en dirección perpendicular al eje de rotación, alejando los cuerpos materiales del mismo)
• Total seguridad, ya que el elastómero no se desprenderá
• Mayor capacidad de par, lo que hace que el producto sea compacto respecto a otros acoplamientos partidos.

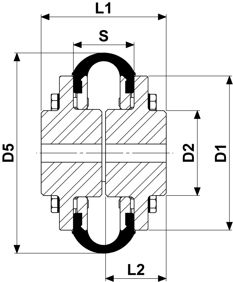
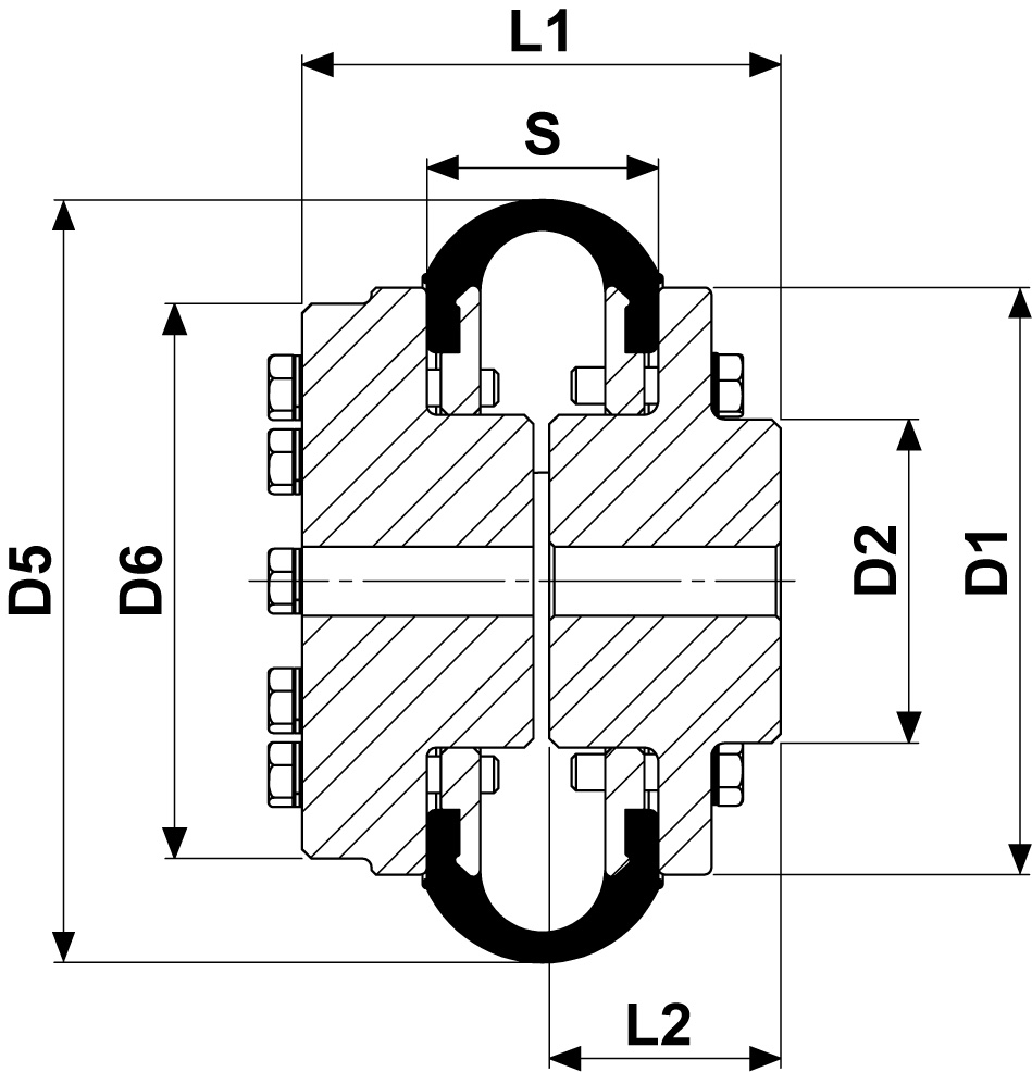
TABLAS TÉCNICAS

SOLICITAR COTIZACIÓN
Modelo Torque Nominal (Nm) - Convencional Torque Nominal (Nm) - Línea R Rotación Máxima (rpm) Hoyo Mínimo (mm) Hoyo Máximo CN (mm) Hoyo Máximo CI (mm) Masa (kg) Momento de Inércia (kgm²)
AT 25 BP 39 49 4000 9 24 26 1.03 0,000966
AT 35 BP 78 98 3800 9 32 38 2,75 0,003856
AT 50 BP 297 371 3600 20 48 57 5,75 0,01364
AT 70 BP 822 1028 3600 25 70 87 15,15 0,0596
AT 90 BP 1487 1859 2000 30 85 98 29,25 0,222
AT 105 BP 2187 2734 2000 35 110 116 42,20 0,317
AT140 BP 5950 7438 1890 40 145 158 74,3 0,966
AT 200/90 BP 17125 21406 1200 70 110 - 162,9 7,48
AT 200/140 BP 17125 21406 1200 80 150 240 175,4 8,44
AT 300/150 BP 58500 73125 700 100 160 310 284,8 9,46
AT 300/200 BP 58500 73125 700 100 220 310 328,3 9,56
Modelo y Dimensiones en mm D1 D2 S L1 L2 D5 D6 Gap Padrón (distância padrón entre puntas de ejes) Tolerancia de Alineación (mm) - Axial Tolerancia de Alineación (mm) - Radial Torque de Ajuste de los Tornillos (kgf.m) - Instalación Torque de Ajuste de los Tornillos (kgf.m) - Post 24h
AT 25 BP 74 36 30 63 30 95 66 3 -0,5 0,35 0,5 0,5
AT 35 BP 96 49 40 80 38,5 125 86 3 -0,75 0,5 0,75 1
AT 50 BP 127 66 50 103 50 165 120 3 0,65 1 2
AT 70 BP 169 93 65 143 70 220 150 3 -1,5 1 2 2,5
AT 90 BP 218 110 90 165 80 300 180 5 -2 1,2 5 6
AT 105 BP 235 140 90 205 100 335 200 5 -2 1,2 5 6
AT 140 BP 288,5 188 120 265 130 405 265 5 -3 2,4 6 7
AT 200/90 BP 436 150 185 297 128,5 550 - 40 -4 3,5 10 15
AT 200/140 BP 436 188 185 317 130 550 396 57 -4 3,5 10 15
AT 300/150 BP 535 225 235 411 175 730 490 61 -4 3,5 15 22
AT 300/200 BP 535 290 235 411 175 730 490 61 -4 3,5 15 22

Descubra otros productos de la línea

ACOPLAMIENTO FLEXIBLE DE ALTO TORQUE AT SEPTEM

Acoplamientos Flexibles

ACOPLAMIENTO FLEXIBLE AT

Acoplamientos Flexibles

AT 70 SEPTEM CI CI

Acoplamientos Flexibles

AT 70 SEPTEM CI

Acoplamientos Flexibles

AT 50 SEPTEM CI CI

Acoplamientos Flexibles

ACOPLAMIENTO FLEXIBLE DE ALTO TORQUE AT SEPTEM

Acoplamientos Flexibles

ACOPLAMIENTO FLEXIBLE AT

Acoplamientos Flexibles

AT 70 SEPTEM CI CI

Acoplamientos Flexibles

AT 70 SEPTEM CI

Acoplamientos Flexibles

AT 50 SEPTEM CI CI

Acoplamientos Flexibles

Suscríbete a nuestro boletín:

Seguir:

Acoplamientos flexibles y bipartidos, acoplamientos elásticos para alto torque, acoplamientos de engranajes, acoplamientos de láminas.

ANTARES ACOPLAMENTOS

Rua Mario Soldatelli, 301
Caxias do Sul - RS - BRAZIL
CEP: 95041-350
gabriel.morales@antaresacoplamentos.com.br +55 (54) 99276.0129
+55 (54) 3218.6800  / 0800.9701.909
  • PRODUCTOS ANTARES
    • Acoplamientos Flexibles
    • Acoplamientos Elásticos
    • Acoplamientos de Láminas
    • Acoplamientos de Engranajes
  • VERSIONES ESPECIALES
    • Bloqueo de Seguridad (BS)
    • Cubo Axial (AX)
    • Cubo Invertido
    • Eje Flotante (EF)
    • Limitador de Torque
    • Padrón de Alineación AT
    • Tambor de Freno
  • MÁS
    • Catálogo de Productos
    • La Guía Definitiva de los Acoplamientos
    • E-book Vibración Mecánica
  • INSTITUCIONAL
    • Quiénes Somos
    • Representantes
    • Blog
  • SERVICIO
    • Cotización
    • Contáctenos
    • Canal de Ética
    • Política de Privacidad

© 2019 Antares Acoplamentos. Reservados todos los derechos. | Desarrollado por Powerweb Criação de Sites PowerWeb